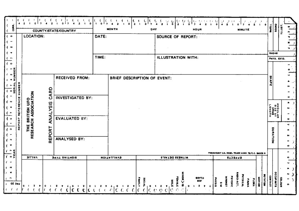
This project presents a series of images sourced from the online archive of the British Unidentified Flying Object Research Association (B.U.F.O.R.A).
Titled Evidence, the work explores how these images are framed as proof of UFOs within the magazine’s narratives. It plays with photography’s relationship to truth, examining how context shapes our perception of what can be considered evidence.

























